ダクトヒータ取扱説明書


>> P.5

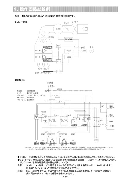
4.操作回路結線例DH-4Kの2段積み重ねと送風機の参考接続図です。【フロー図】【配線図】(注1)(注1)●ダクトヒータに付属されている過熱防止センサは、吐出温度上限、または過熱防止用として使用してください。●ダクトヒータを100%満足して使用していただける専用自動温度調節器TR□Kシリーズを用意しています。詳しくはP.6の専用自動温度調節器を参照してください。注意:ダクトヒータへ送風せずに電源を供給すると空焚きとなり異常過熱によりヒータが断線します。送風機とのインターロック回路は必ず組み込んでください。SSC、SCR(サイリスタ)等の半導体を使用して制御をおこなう場合は、ヒータ回路停止時にも漏れ電流が流れているので感電の恐れがあります。注意:-5-


<< | < | > | >>