自動温度調節器TRTシリーズ取扱説明書


>> P.21

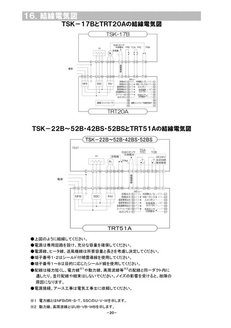
16.結線電気図TSK-17BとTRT20Aの結線電気図TSK-22B~52B・42BS・52BSとTRT51Aの結線電気図●上図のように結線してください。●電源は専用回路を設け、充分な容量を確保してください。●電源線、ヒータ線、送風機線は所要容量と長さを考慮し決定してください。●端子番号1・2はシールド付補償導線を使用してください。●端子番号1~8は目的に応じたシールド線を使用してください。●配線は極力短くし、電力線※1や動力線、高周波線等※2の配線と同一ダクト内に通したり、並行配線や結束はしないでください。ノイズの影響を受けると、故障の原因になります。●電源接続、アース工事は電気工事士に依頼してください。※1電力線とはNFBのR・S・T、SSCのU・V・Wを示します。※2動力線、高周波線とはUB・VB・WBを示します。-20-


<< | < | > | >>