自動温度調節器TRシリーズ取扱説明書


>> P.3

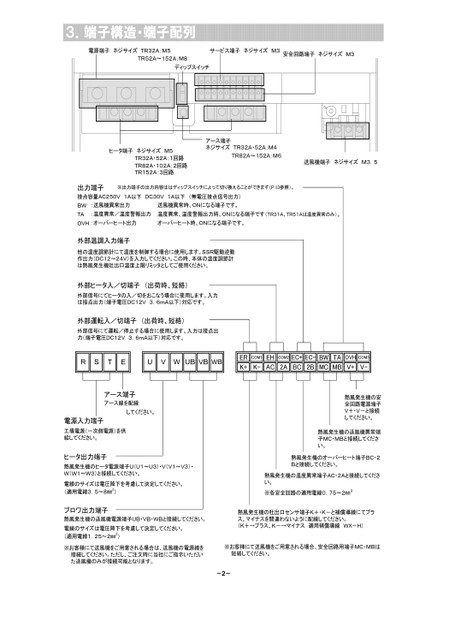
3.端子構造・端子配列電源端子ネジサイズTR32A:M5サービス端子ネジサイズM3TR52A~152A:M8ディップスイッチ安全回路端子ネジサイズM3ヒータ端子M5ネジサイズTR32A・52A:1回路TR82A・102A:2回路TR152A:3回路アース端子ネジサイズTR32A・52A:M4TR82A~152A:M6送風機端子ネジサイズM3.5出力端子※出力端子の出力内容ははディップスイッチによって切り換えることができます(P.13参照)。接点容量AC250V1A以下DC30V1A以下(無電圧接点信号出力)BWTA:送風機異常出力送風機異常時、ONになる端子です。:温度異常/温度警報出力温度異常、温度警報出力時、ONになる端子です(TR31A、TR51Aは温度異常のみ)。OVH:オーバーヒート出力オーバーヒート時、ONになる端子です。外部温調入力端子他の温度調節計にて温度を制御する場合に使用します。SSR駆動逆動作出力(DC12~24V)を入力してください。この時、本体の温度調節計は熱風発生機吐出口温度上限リミッタとしてご使用ください。外部ヒータ入/切端子(出荷時、短絡)外部信号にてヒータの入/切をおこなう場合に使用します。入力は接点出力(端子電圧DC12V3.6mA以下)対応です。外部運転入/切端子(出荷時、短絡)外部信号にて運転/停止する場合に使用します。入力は接点出力(端子電圧DC12V3.6mA以下)対応です。RSTEUVWUBVBWBERK+COM1K-EHACCOM2EC+EC-2ABC2BBWMCTAMBOVHCOM3V+V-アース端子アース線を配線してください。電源入力端子工場電源(一次側電源)を供給してください。ヒータ出力端子熱風発生機のヒータ電源端子U(U1~U3)・V(V1~V3)・W(W1~W3)と接続してください。電線のサイズは電圧降下を考慮して決定してください。(適用電線3.5~8㎜2)ブロワ出力端子熱風発生機の送風機電源端子UB・VB・WBと接続してください。電線のサイズは電圧降下を考慮して決定してください。(適用電線1.25~2㎜2)※お客様にて送風機をご用意される場合は、送風機の電源線を接続してください。ただし、ご注文時に当社にご指示いただいた送風機のみが接続可能となります。熱風発生機の安全回路電源端子V+・V-と接続してください。熱風発生機の送風機異常端子MC・MBと接続してください。熱風発生機のオーバーヒート端子BC・2Bと接続してください。熱風発生機の温度異常端子AC・2Aと接続してください。※各安全回路の適用電線0.75~2㎜2熱風発生機の吐出口センサ端子K+・K-と補償導線にてプラス、マイナスを間違わないように配線してください。(K+→プラス、K-→マイナス適用補償導線WX-H)※お客様にて送風機をご用意される場合、安全回路用端子MC・MBは短絡してください。-2-


<< | < | > | >>